8 marca 2025 r. w czasopiśmie IEEE Transactions on Microwave Theory and Techniques (MNiSW 140 pkt., IF: 4.1) ukazała się nasza kolejna publikacja, w której zaprezentowaliśmy nową metodę charakteryzacji parametrów chipów identyfikatorów RFID pasma UHF:
Skrobacz K., Pyt P., Jankowski-Mihułowicz P., Węglarski M.: A New Concept of Determining the RFID Chip Impedance, IEEE Transactions on Microwave Theory and Techniques, Vol. 73, Issue 3, pp. 1809-1820, 2025 (DOI: 10.1109/TMTT.2024.3454287).
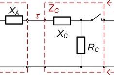
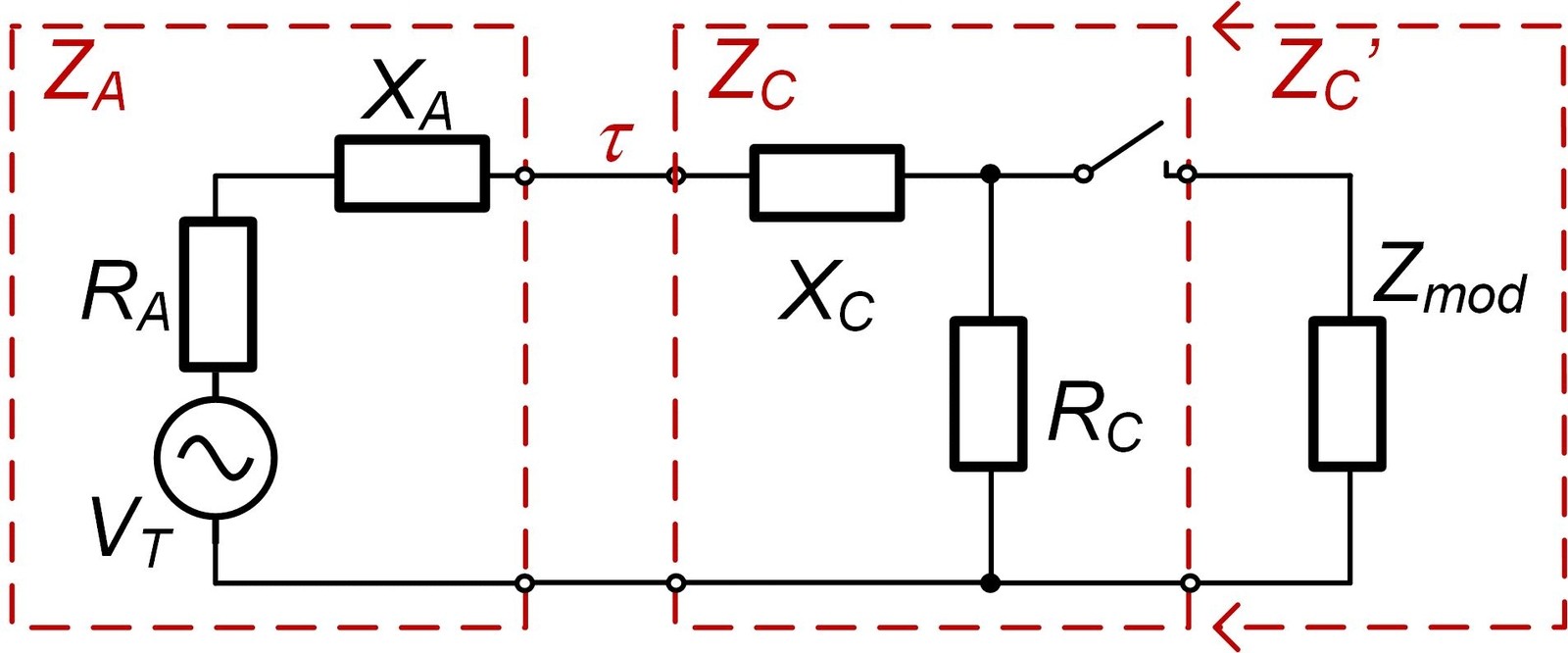
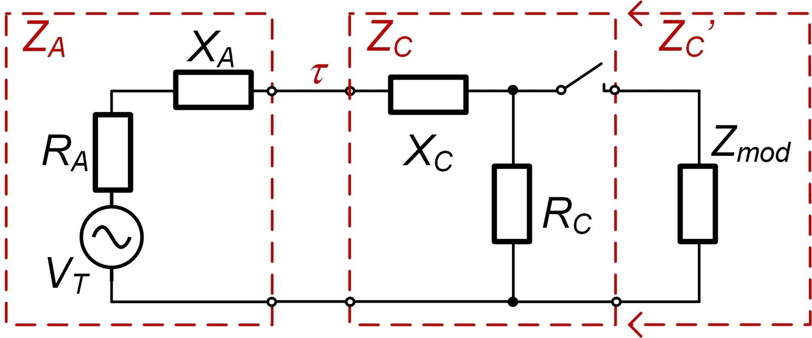
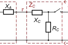
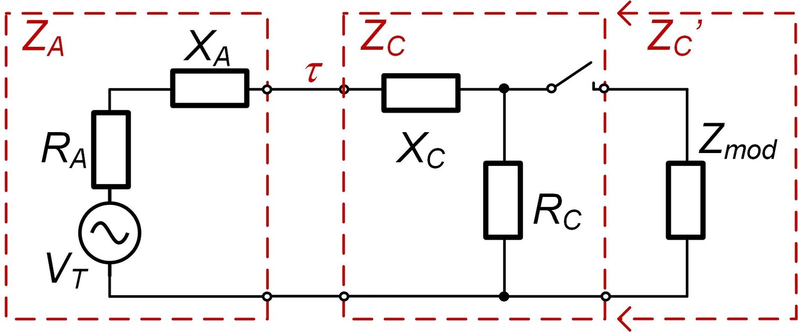
Istotą tych prac jest opracowanie skutecznej metody szerokopasmowego wyznaczania czułości, a na tej podstawie impedancji chipów identyfikatorów RFID pasma UHF przeznaczonych do pracy w różnych regionach świata (użyteczność w paśmie częstotliwości 860-960 MHz). Działania te mają w przyszłości usprawnić proces projektowania anten takich identyfikatorów, które będą prawidłowo dopasowane do ich chipów. Dzięki takiemu podejściu będzie można uzyskiwać maksymalne zasięgi działania systemów RFID w ich różnych aplikacjach. Publikacja jest wynikiem badań mgra inż. Kacpra Skrobacza realizowanych w zakresie pracy doktorskiej.
W badaniach wykorzystano cząstkowe wyniki projektu „Regionalne Centrum Doskonałości Automatyki i Robotyki, Informatyki, Elektrotechniki, Elektroniki oraz Telekomunikacji Politechniki Rzeszowskiej” (nr 027/RID/2018/19). Ponadto, w trakcie prac m. in. wykorzystano aparaturę zakupioną w ramach projektów:
- Polska Sieć Laboratoriów EMC (EMC-LabNet), nr POIR.04.02.00-02-A007/16, współfinansowany w ramach Europejskiego Funduszu Rozwoju Regionalnego ze środków Działania 4.2 Rozwój Nowoczesnej Infrastruktury Badawczej Sektora Nauk, Programu Operacyjnego Inteligentny Rozwój 2014-2020;
- Rozbudowa infrastruktury naukowo-badawczej Politechniki Rzeszowskiej, nr POPW.01.03.00-18-012/09, współfinansowanego ze środków UE w ramach PO RPW 2007-2013, Priorytet I, Nowoczesna Gospodarka, Działanie 1.3, Wspieranie Innowacji;
- Budowa, rozbudowa i modernizacja bazy naukowo-badawczej Politechniki Rzeszowskiej, nr UDA-RPPK.01.03.00-18-003/10-00, współfinansowanego ze środków UE w ramach RPO WP 2007-2013.
Abstract, PDF Version: https://doi.org/10.1109/TMTT.2024.3454287







